Quantum

量子コンピュータ

オックスフォード・インストゥルメンツは現在、量子コンピューティングの次の発展段階における研究開発およびスケールアップの課題に応えるハードウェア開発を可能にするソリューションの最前線に立っています。当社から、次のような包括的なソリューションが提供されています。

  • 極低温環境とエレクトロニクスに必要な技術
  • 量子コンピュータに使用する光学的経路用の検出器と分光器
  • 量子ビットと量子回路の開発およびスケールアップのための最先端の製造ソリューション

量子コンピュータは、古典的な個々の状態を順次調べるのではなく、多数のもつれた量子状態を同時に調べることによって、大規模な並列計算を実現しようとするものです。特に、これまで解決できなかった問題や、計算時間が膨大な場合など、多様な応用が期待されています。具体的には、最適化、非構造化検索、材料シミュレーション、ロジスティクスなどの分野で重要な役割を果たします。

この技術推進の最終目標は、ユニバーサル量子コンピュータを実現することであり、現在の予測では、2030年頃に実現するとされています。近い将来、量子アニーラーやNISQ(Noisy Intermediate Scale Quantum)システムによって、従来のコンピュータの能力を超えた、商業的に適切なソリューションが提供されるようになると考えられています。このような初期のシステムでは、並列性を利用して、特定の計算問題の一部分に対して優れた解決策を提供することになるでしょう。

量子ビット特性評価およびスケールアップ

オックスフォード・インストゥルメンツは、初期段階の量子ビットの研究開発と商用量子コンピューティングソリューションに向けたスケールアップの両方に必要な高度な希釈冷凍機システムを提供しています。mK 温度を実現する希釈冷凍機は、現世代の固体量子コンピュータの基礎的な要件として重要な役割を担っています。この超低温環境は、量子状態に到達し、量子ビットのコヒーレンス時間を実用的な計算のために十分な時間維持するために必要なものです。

演算に必要な低温での量子ビットの1と0のエネルギーレベルの分離は、通常GHzの周波数帯であり、演算の制御には精密に整形されたナノ秒のパルスが必要になります。これらの信号は同軸ケーブルで室温環境に戻されるため、極低温システムに熱負荷がかかります。また、アンプ、アッテネーター、フィルターなど、信号処理に必要な放熱ハードウェアも熱負荷を増加させ、冷却能力のさらなる向上が必要となる。このようなシステムの規模が大きくなると、低温電子機器のための物理的なスペースと、その運用をサポートするための冷却能力の両方が課題となります。

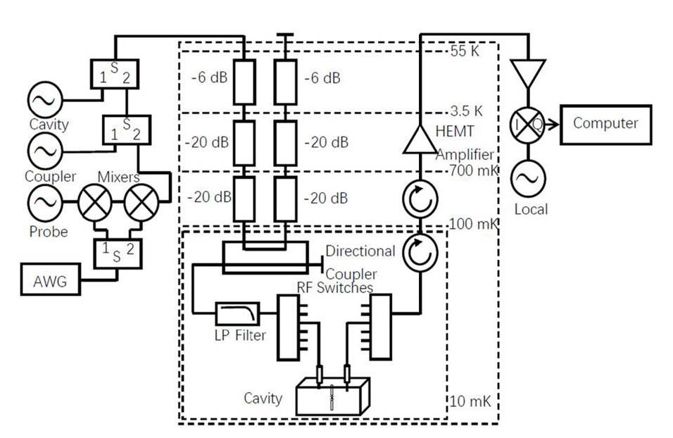
超伝導量子ビットの特性を評価するための実験構成例を示します。入力ラインは、黒体放射による熱ノイズの影響を低減するために、各ステージで大幅に減衰させます。出力信号の減衰を最小限に抑えつつ、増幅器ノイズによるサンプルへの影響を抑えるためにサーキュレータが必要となります。

ProteoxMX システムでは、量子ビットの開発と量子ビットのスケールアップのためのモジュール式プラットフォームが提供され、実験構成に合わせてシステムをカスタマイズすることが可能です。セカンダリーインサートは、オックスフォード・インストゥルメンツの低温電子機器統合の経験と組み合わせることで、完全な実験セットアップを直接モジュラー、自立型プラットフォームに工場でインストールすることができます。このカスタマイズ可能なビューポートは、利用可能なスペースを最大化し、インサートごとに 250 以上の同軸ケーブルの容量と 20mK で最大 12μW のシステム冷却電力で、高量子ビット数へのスケールアップを実現します。

Proteox プラットフォームでは、スケールアップ可能なアーキテクチャを提供し、将来の量子ハードウェアの要求を満たすために、二次インサートの数を増やし、冷却能力を高めることが可能です。

超伝導量子ビットの特性評価のための実験装置

Oxford Instruments measurement-ready cold electronics integration for Qubit applications
オックスフォード・インストゥルメンツから提供される、量子ビット測定用統合型コールドエレクトロニクス

関連コンテンツ

WEBINAR Proteox を用いた量子コンピュータおよび量子ビットのスケールアップ・アプリケーション
APP NOTE トポロジカル絶縁体 ジョセフソン接合
APP NOTE 二色性マイクロ波場で動作する超伝導量子ビットの吸収スペクトル
APP NOTE トランスモン量子ビットの動的変調Autler-Townes効果

関連製品

量子ビットおよび量子回路製造

オックスフォード・インストゥルメンツでは、量子コンピュータを実現するためのハードウェアプラットフォーム用の様々なアプローチに対して、高い信頼性とデバイス製造ソリューションを提供します。 当社のソリューションによって、長寿命の量子状態を持つ堅牢な量子ビットの開発、および高速にアドレス指定可能な量子ゲートの実行が可能になるように調整されます。さらに、大規模な相互作用する量子ビットや制御素子を製造するためのスケールアップに向けた信頼性の高い手法を提供します

拡張性の高い量子回路を実現するためのアプローチや材料プラットフォームはいくつか存在します。超伝導量子回路や イオントラップによるアプローチは、実世界での応用に向けた先端技術の一つです。しかし、イオントラップ型や超伝導型量子コンピュータのスケールアップにはいくつかの技術的課題があり、そのため、集積フォトニクスを用いたフォトニック量子コンピュータ、ダイヤモンドNVセンターなどの高温量子ビット、半導体ベースのスピン量子ビット、トポロジカル保護量子ビット、これらの要素を活用したハイブリッドアプローチなど、量子ビットを作成するさまざまなアプローチが研究されています。これらの技術は、技術的な即応性の点ではやや劣りますが、日々新しく改良された開発により急速に進化しています。

オックスフォード・インストゥルメンツでは、量子ビットの製造のための主要なアプローチの製造ソリューションのいくつかを提供しています。

関連コンテンツ

APP NOTE 量子技術に用いるALD アブストラクト Yi Shu
WHITEPAPER 量子デバイス製造に使用するALD
WEBINAR 量子技術: デバイス製造や特性評価に対するチャレンジ・ソリューション
BLOG ARTICLE 量子力学の不思議な力を利用してコンピュータを実現する

関連製品

光量子コンピュータ

光量子コンピュータは、固体量子コンピュータに代わる手法として、光システム内で個々の光子を量子ビットとして利用するものです。この方法では、もつれた光子のコヒーレンス時間が長く、システムの有効演算時間を長くすることができるという大きなメリットがあります。さらに、量子ビットの数を増やすために光子の数を増やす必要がないことも大きなメリットです。光子には、周波数、偏光、時間、位置などの複数のモードがあり、これらをすべて同時にもつれさせ、符号化することが可能です。


光量子コンピュータの課題としては、界面や光素子内での損失率、単一光子を検出するのに十分な感度を持つセンサーなどが挙げられます。また、デバイスのスケールアップも課題であり、システム内の光子数が増加するにつれて、単一光子検出器の数も増加することが要求されます。

オックスフォード・インストゥルメンツは、単一光子と量子もつれを検出するための世界最高感度のカメラを提供しています。これらは、イメージングアレイに入射する空間的に相関のある光子を優れた識別性と信頼性で検出する必要があるシステムで優れた効果を発揮し、最終的に測定全体を加速させることに使用されます。

量子もつれのリアルタイムイメージング

量子もつれは、2 つの粒子が遠く離れていても結合しているような状態で発生し、一方の粒子に対して行われた動作が他方の粒子に影響を与えるものです。Vienna 大学の Zeilinger 教授の研究グループでは、アンドール・テクノロジーの ICCD カメラを用いて、ある光子の測定がそのもつれたパートナーに及ぼす影響をリアルタイムで画像化できるほど、この検出器が高速かつ高感度であることを実証しています。

さらに、ICCD カメラの使用により、任意の空間モードのもつれを作り出すための高い柔軟性を実証しました。これは、量子光学における視覚的イメージングが、もつれに関する直感的な理解を深めるだけでなく、量子科学の応用を向上させることを示唆しています。

関連コンテンツ

MORE INFO 量子光学向けカメラ(英語)
APP NOTE 量子もつれ研究向け超高感度検出器(英語)
WEBINAR EMCCDを用いたフォトンカウンティング方式の量子イメージング:光の量子的な特徴を測定するための有効なツール(英語)

関連製品

関連ウェビナー

アンドール・テクノロジー
オンデマンド視聴
EMCCDを用いたフォトンカウンティング方式の量子イメージング:光の量子的な特徴を測定するための有効なツール(英語)

量子光学の分野では、光の量子的な空間特徴を再構成するために、画像平面を走査する単一検出器によるイメージングが始まりました。

このウェビナーでは、EMCCD撮像素子で行われるフォトンカウンティングの概要、様々なノイズが果たす役割、データの忠実性と堅牢性への影響、2次元量子イメージングのための撮像カメラとしてのEMCCDの展望を紹介します。

プラズマテクノロジー
オンデマンド視聴
デバイスの製造と特性評価に関する課題とソリューション(英語)

このウェビナーでは、量子コンピューティング、通信、センシングなどの量子テクノロジーにおけるアプリケーションのためのデバイス製造と特性評価に関する課題とソリューションの概要を説明します。   超伝導量子ビットと量子回路のデバイス開発における3つの側面について取り上げます。

  • RF基板バイアスを用いた超伝導薄膜のプラズマALD技術
  • 超伝導材料のプラズマエッチング
  • 極低温システムにおける量子ビットの特性評価と測定 
ナノサイエンス
オンデマンド視聴
Proteoxを用いた量子コンピューティングと量子ビットのスケールアップ・アプリケーション(英語)

量子アプリケーションは、低温技術におけるイノベーションを促す重要な要素となっており、実験量と配線容量に対する要望が高まっています。新しいProteox希釈冷凍機は、ビューポートの増加、プレート間隔の拡大、ミキシングチャンバーのプレート面積を50%増加することにより、こうした市場の需要に対応しています。

このウェビナーでは、量子技術の研究者が、Proteoxシステムを使用して、1つの実験システムから複数のユーザーとさまざまな実験をサポートできる実験セットアップについて、新しいアプリケーションを引き出し、システム価値を最大化し、より大きなコントロールを得る方法について概要を説明いたします。

 

関連製品

関連する事業部

お問い合わせ